Table of Contents
GCA50 Loco-I/O interface
Introductie
De GCA50 is gebaseerd op het Loco-IO ontwerp van John Jabour en is te gebruiken voor allerlei in- en uitgangen, afhankelijk van toegepaste sensoren en drivers.
De afmetingen zijn de ongeveer de helft van een LocoIO-module. Ook zijn er andere connectoren gebruikt vanwege de stevigheid en uitbreidbaarheid.
De 16 in/uitgangen hebben een uitgangsspanning van 5V. OP de uitgangen kunnen slechts leds, reedschakelaars of opto-geisoleerde melders worden aangesloten.
Extra modulen zijn nodig om andere spanningen en stromen te kunnen schakelen.
De voornaamste reden voor een eigen ontwerp was de toepassing van andere en steviger connectoren.
Alle 16 lijnen op de GCA50 kunnen gebruikt worden als in- of als uitgang. Schakelaars (voor het aan/uit zetten van allerlei verlichting, leds, relais enz. waar ook in het Lo-I/O Netwerk).
Het configureren van wat een in en wat een uitgang moet zijn wordt vanuit Rocrail gedaan.
Nieuwe eigenschappen
In versie 1.3 zijn diodes toegevoegd voor een betere bescherming van de voeding.
Een ICSP connector is toegevoegd voor directe programmering van de PIC.
Voor informatie over oudere versies kijk bij http://wiki.rocrail.net/doku.php?id=mgv50-en
GCA50 pcboard
De opgebouwde GCA50
Complete Engelse handleiding
Files
N.B.
Voor zelf ge-etste printen wordt geen ondersteuning gegeven!
Oudere versies, zoals MGV50d, hebben U3 in omgekeerde positie op de print staan (notch links).
Pcboards en complete kits voor GCA50
Kijk op www.phgiling.net
Firmware
Setup
| Jumper | Open | Closed |
|---|---|---|
| JP 1 | meldt input status bij startup | Geen melding bij startup |
Gebruik de Programming Dialog voor de I/O setup.
Aansluitingen
Om de onderdelen van Loco-I/O met elkaar te laten communiceren zijn enkele voorzieningen nodig:
De kabel moet, zeker bij langere verbindingen, volgens onderstaande beschrijving worden gemaakt.
Daardoor worden storende invloeden van buitenaf en naar buiten toe zoveel mogelijk onderdrukt.
Afgeschermde kabel mag , maar is niet noodzakelijk bij juiste aansluiting volgens onderstaande tabel.
De voeding voor alle I/O modulen wordt met dezelfde kabel meegevoerd, evenals de eventuele 'Railsync' lijnen.
De railsync lijnen bevatten de digitale informatie vanuit de centrale, in feite bedoeld voor de aan te sluiten boosters.
Er is in Loco-I/O slechts 1 lijn die de data tussen alle aangesloten eenheden verzorgd.
Dit zeer intelligente systeem bestaat dus in feite uit allemaal zgn. 'Masters', die zelfstandig van de communicatie lijn gebruik kunnen maken.
De railsync heeft feitelijk niets te maken met de communicatie lijn van Loco-I/O. Ze worden slechts in dezelfde kabel meegevoerd.
Connector to J3(male), J4(female) Loco-I/O DB9
De beste aansluitkabel is cat5 Ethernet kabel.
| DB9 Pin | Loco-I/O function | Ethernet cable colour |
|---|---|---|
| 1 | GND | blue + blue/white |
| 2 | Railsync - | orange/white |
| 3 | Loco-I/O signal | green |
| 4 | Railsync + | orange |
| 5 | +V supply | brown |
| 6 | GND | green/white |
| 7 | n.c. | not connected |
| 8 | n.c. | not connected |
| 9 | +V supply | brown/white |
Om problemen te voorkomen, maak de aansluitingen volgens deze lijst.
Andere kleuren kiezen zal tot fouten leiden.
Standaard volledig bedrade kabels RS232 kabels zijn mogelijk, maar hebben hun beperkingen.
Er is niet vastgesteld hoeveel van die kabels gebruikt kunnen worden, maar enkele beïnvloeden de goede werking niet.
Dit type kabels is zeker niet geschikt voor het transport van de volledige 3A van de GCA85 of GCA101 LocoBuffer.
Connector J1 + J2 screw terminals
| LocoIO port | terminal# |
|---|---|
| 1 | 1 |
| 2 | 2 |
| 3 | 3 |
| 4 | 4 |
| 5 | 5 |
| 6 | 6 |
| 7 | 7 |
| 8 | 8 |
| 9 | 9 |
| 10 | 10 |
| 11 | 11 |
| 12 | 12 |
| 13 | 13 |
| 14 | 14 |
| 15 | 15 |
| 16 | 16 |
| GND | 17 |
| +5V | 18 |
Connector J5 10pin header
| LocoIO port | Pin # |
|---|---|
| +5V | 1 |
| GND | 2 |
| 1 | 3 |
| 2 | 4 |
| 3 | 5 |
| 4 | 6 |
| 5 | 7 |
| 6 | 8 |
| 7 | 9 |
| 8 | 10 |
Connector J6 10pin header
| LocoIO port | Pin # |
|---|---|
| +5V | 1 |
| GND | 2 |
| 9 | 3 |
| 10 | 4 |
| 11 | 5 |
| 12 | 6 |
| 13 | 7 |
| 14 | 8 |
| 15 | 9 |
| 16 | 10 |
Led functions
| LED | Meaning | Color | ||
|---|---|---|---|---|
| 1 | power | green | always ON | |
| 2 | Loco-I/O activity | red | OFF | No Loco-I/O activity |
| ON | Loconet False | |||
| flash | Loco-I/O activity |
Opmerkingen
Let er op dat de mannelijke en de vrouwelijke connectoren juist geplaatst worden.
DE mannelijke connector heeft pinnen en wordt rechts geplaatst, de vrouwelijke heeft bussen en wordt links geplaatst. .
Plaats een moer of wat dikkere ring tussen print en spanningsregelaar, voor een betere koeling.
De 6 connectors AKL012-03 moeten eerst in elkaar worden gestoken, alvorens ze op de print te plaatsen.
Directe aansluiting van Leds
| 1 Epoxyhars Lens 2 Draad aansluiting 3 Reflector 4 Halfgeleider crystal 5 + 6 ( = 7 ) Basis 8 Flakke kant A Anode B Kathode |
| plaatje uit wikipedia.org/wiki/led |
LEDs kunnen direkt aan GCA50 / CAN-GC2 aangesloten worden.
Er moet echter wel ALTIJD een weerstand in serie worden aangesloten.
Welke waarde moet die weerstand hebben?
GCA50 / CAN-GC2 schakelt tussen 0 und 5V.
Als je een Led en een weerstand met elkaar in serie aansluit, dan is de stroom door beide onderdelen gelijk.
Verschillende ledkleuren hebben verschillende werkspanningen, die allen tussen ongeveer 1,9 en 3,2 Volt liggen
Als de led een werkspanning heeft van 2V,en hij wordt met weerstand in serie aangesloten op 5V, dan is de spanning over de weerstand dus 5V-2V = 3 Volt.
Nemen we nu aan de we een stroom door de led en weerstand willen hebben van 20 mA (0,02 A), dan zegt meneer Ohm dat de weerstand een waarde moet hebben van 3V / 0,02A= 150 Ω.
De maximale stroom van een normale led mag meestal niet meer dan 20 mA(0,02A) continue bedragen.
Der max. Strom einer LED darf normal bis 20mA (0,02A) betragen, aber das ist wegen zu großer Helligkeit meistens nicht notwendig.
Geht man von einem Strom durch die LED von ca. 10mA aus, dann sollen diese Widerstände verwendet werden:
- LED Rot und Gelb : LED-Spannung ca. 2V ergibt also 3V / 0,01A = ca. 330Ω
- LED Grün,: LED-Spannung ca. 3V ergibt also 2V / 0,01A = ca. 220Ω.
- LED Blau und Weiß : LED-Spannung ca. 3,5V ergibt also 1,5V / 0,01A = ca.150Ω.
Die Widerstandswerte sind nicht sehr kritisch.
Jeder Anschluss des PIC-Chip auf GCA50 / CAN-GC2 kann bis 25mA betrieben werden, aber alle 16 Anschlüsse zusammen sollten nicht mehr als 200mA (=0,2 A) belastet werden.
Wenn jede LED nicht mehr als 10mA erhält, dann wird niemals das Maximum erreicht.
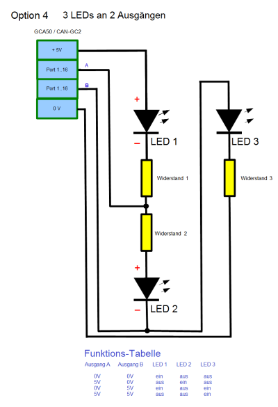
Für den Anschluss der LEDs (und der immer notwendigen Widerstände) gibt es mehrere Optionen:
| | |
| 2 Möglichkeiten für den Anschluss einer LED | 2 LEDs an 1 Ausgang | 3 LEDs an 2 Ausgängen |
| GCA50 Anschluss-Belegung CAN-GC2 Anschluss-Belegung |
||
Direkte aansluiting MGV50 aan Intellibox of Twincenter
De Intellibox kan ook direkt enkele MGV50 units aansturen, zonder MGV85 of MGV101 te gebruiken.
Hiervoor is op IB de aansluiting LocoNet T beschikbaar.
LocoNet B is hiervoor niet geschikt.
Daarvoor is het nodig een verbindingssnoer te maken met aan een zijde een RJ12 stekker en aan andere zijde een D-sub 9 female.
Kabel moet als volgt worden aangesloten :
| D-sub9 female pin | RJ12 pin | Funktie |
|---|---|---|
| 1 | 2 of 5 | Massa |
| 3 | 3 of 4 | Signaal |
| 5 | 1 of 6 | +12V |







