mgv59-nl
Table of Contents
MGV Stroomdetectie
| door Rob Versluis en Peter Giling |
|---|
Algemeen
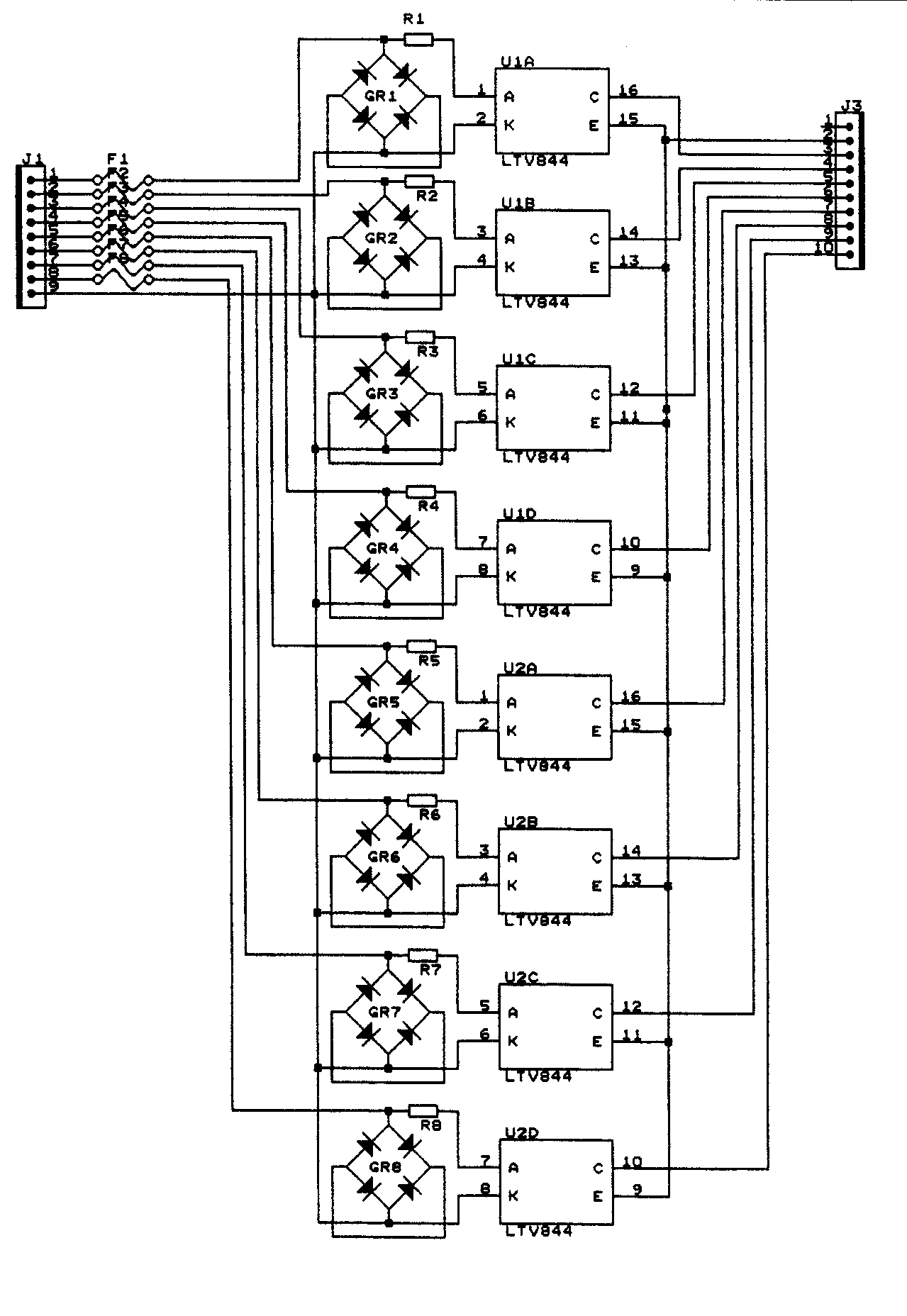
Simpele en eenvoudige stroomdetectie module als sateliet module voor MGV50. Stroomdetectie is een eenvoudige en betrouwbare oplossing voor treindetectie. Deze schakeling is zo gemaakt dat hij niet alleen aangesloten kan worden op de MGV50 maar ook werkt met het S88 systeem.
Ieder ingang is afzonderlijk gezekerd door een zichzelf resettende zekering. Daarom kan deze unit goed gebruikt worden bij commandstations met zwaardere boosters.
Zonder zekering veroorzaakt een kortsluiting grote stromen die schade toe kan brengen aan treinen, rails en elektronische schakelingen. De MVG59 beperkt de kortsluitstroom tot een veilige waarde van enkele mA's.
Na dat de kortsluiting is opgeheven, herstelt de zekering zichzelf.
Eigenschappen
- Optocoupler isolatie
- Compatibel met MGV50, LocoIO en alle andere input modules tot 12V
- Ieder ingang afzonderlijk gezekerd
- Er zijn in het ontwerp zelf herstellende zekeringen opgenomen
Bestanden
Connector
| Pin | Signaal |
|---|---|
| 1 - 8 | stroom ingangen |
| 9 | booster power |
Afbeeldingen
Bill of materials MGV59
| Partnr | Description | Dealer | order# |
|---|---|---|---|
| R1 | Resistor 33E | ||
| R2 | Resistor 33E | ||
| R3 | Resistor 33E | ||
| R4 | Resistor 33E | ||
| R5 | Resistor 33E | ||
| R6 | Resistor 33E | ||
| R7 | Resistor 33E | ||
| R8 | Resistor 33E | ||
| GR1 | B80C1500 round | www.reichelt.de | B80C1500RUND |
| GR2 | B80C1500 round | www.reichelt.de | B80C1500RUND |
| GR3 | B80C1500 round | www.reichelt.de | B80C1500RUND |
| GR4 | B80C1500 round | www.reichelt.de | B80C1500RUND |
| GR5 | B80C1500 round | www.reichelt.de | B80C1500RUND |
| GR6 | B80C1500 round | www.reichelt.de | B80C1500RUND |
| GR7 | B80C1500 round | www.reichelt.de | B80C1500RUND |
| GR8 | B80C1500 round | www.reichelt.de | B80C1500RUND |
| F1 | Fuse 0,5A | www.reichelt.de | PFRA 050 |
| F2 | Fuse 0,5A | www.reichelt.de | PFRA 050 |
| F3 | Fuse 0,5A | www.reichelt.de | PFRA 050 |
| F4 | Fuse 0,5A | www.reichelt.de | PFRA 050 |
| F5 | Fuse 0,5A | www.reichelt.de | PFRA 050 |
| F6 | Fuse 0,5A | www.reichelt.de | PFRA 050 |
| F7 | Fuse 0,5A | www.reichelt.de | PFRA 050 |
| F8 | Fuse 0,5A | www.reichelt.de | PFRA 050 |
| U1 | LTV844 | www.darisusgmbh.de | LTV844 |
| U2 | LTV844 | www.darisusgmbh.de | LTV844 |
| J1 | 10 pole header | www.reichelt.de | PSS 254/10G |
| J3 | 10 pole screw conn. | www.reichelt.de | AKL012-03/03/02/02 |
mgv59-nl.txt · Last modified: 2018/11/12 08:56 by 127.0.0.1

